氣動高真空蝶閥概述:
GIQ氣動高真空蝶閥是指工作壓力低于標準大氣壓,形成一定真空的閥門,是真空系統中用來調節氣流量、切斷和接通管路的元件,一般用于控*空氣和非腐蝕性氣體。氣動真空蝶閥的閥板采用夾緊結構,把閥板的密封圈夾緊,泄露量為零,除了能用在真空狀態下,也能在低壓狀態下使用。氣動真空蝶閥以壓縮空氣為動力,帶動碟板旋轉來作啟閉運動,從而達到對管路氣流的接通或切斷,分為雙作用和單作用,單作用具有彈簧復位的作用,可在故障時自動復位。
氣動高真空蝶閥特點:
1、軸承采用自潤滑軸承,摩擦阻力小。
2、不必從管路上拆卸閥門即可更換蝶板密封圈。
3、該閥能對介質雙向截止,實現可靠的密封,雙向零泄漏。
4、軸封采用具有自動補償的特殊結構,隔斷外界大氣與管道的連通,從而保證管道的真空度。
氣動高真空蝶閥技術參數:
| 適用范圍(Pa) |
2x105~1.3x10-5 |
| 漏氣率(Pa.L/S) |
≤1.3x10-6 |
| 驅動形式 |
壓縮空氣(4-7bar) |
| 介質溫度(℃) |
丁腈橡膠-25 ~ +80,氟橡膠-30 ~ +150 |
| 法蘭標準 |
GB6070.3-85 |
| 安裝位置 |
任意 |
| 作用形式 |
單作用式:氣關式(B)--失氣時閥位開(FO);氣開式(K)--失氣時閥位關(FC)
雙作用式:氣關式(B)--失氣時閥位保持(FL);氣開式(K)-- 失氣時閥位保持(FL) |
| 控*方式 |
|
開關型(開關兩位控*) |
| |
調節型(4-20mA信號調節流量大小) |
氣動高真空蝶閥執行機構:
| 執行器型號 |
GT、AT、AW系列單雙作用氣動執行器 |
| 供氣壓力 |
0.4~0.7MPa |
| 氣源接口 |
G1/4"、G1/8"、G3/8"、G1/2" |
| 環境溫度 |
-30~+70℃ |
| 作用形式 |
單作用執行機構、雙作用執行機構 |
| 可選附件 |
定位器、電磁閥、空氣過濾減壓器、保位閥、行程開關、閥位傳送器、手輪機構等 |
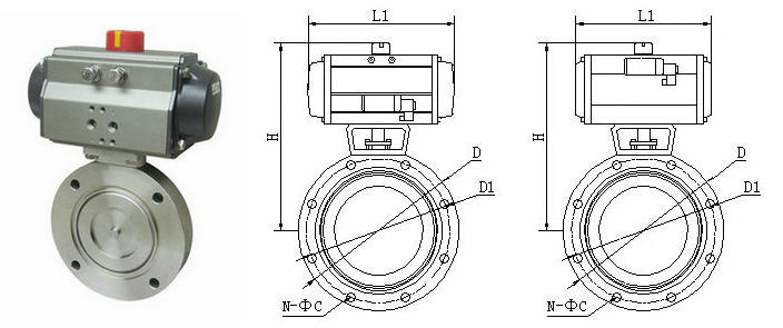
氣動高真空蝶閥連接尺寸:
| 公稱通徑(DN) |
50 |
63 |
80 |
100 |
125 |
150 |
200 |
250 |
300 |
400 |
| 連接尺寸 |
A |
26 |
32 |
35 |
50 |
55 |
60 |
| ΦD |
110 |
130 |
145 |
165 |
200 |
225 |
285 |
335 |
425 |
510 |
| ΦB |
90 |
110 |
125 |
145 |
175 |
200 |
260 |
310 |
395 |
480 |
| n-ΦC |
4-Φ9 |
8-Φ9 |
4-Φ12 |
12-Φ11 |
12-Φ14 |
16-Φ14 |
相關產品: 電動真空蝶閥